找回密码
 邀请码注册

QQ登录

只需一步,快速开始

搜索附件  

春雷3PL3-3.jpg

维修爱好者 家电电工资料网
维修爱好者 家电电工资料网

 

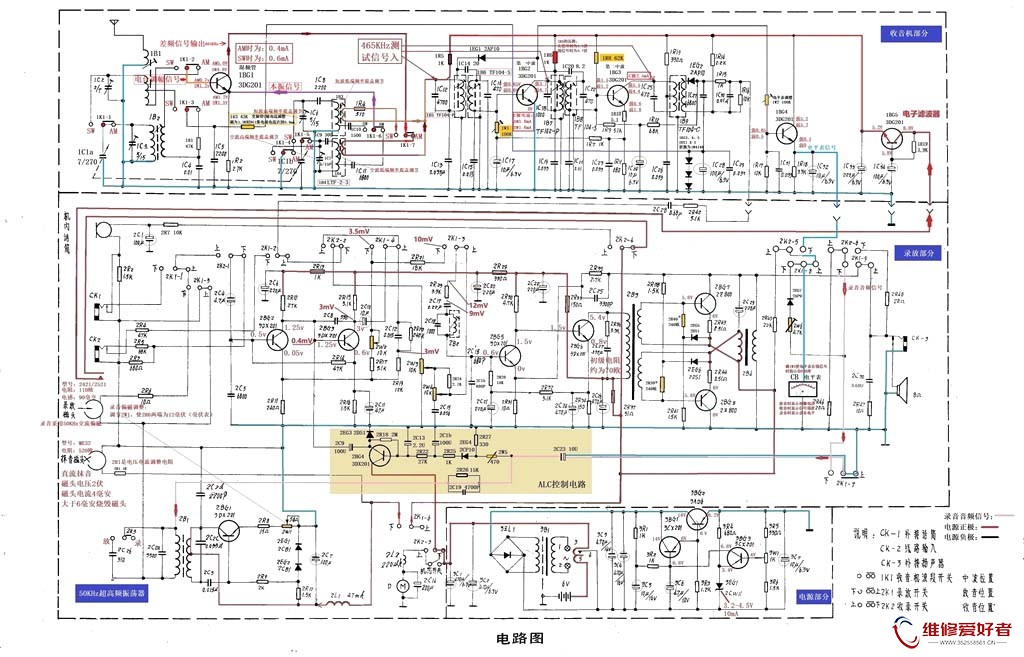
春雷3PL3几个版本的电路图:
春雷3PL3几个版本的电路图



春雷3PL3-3.jpg
维修爱好者 家电电工资料网
         同一主题附件:
    春雷3PL3-2.jpg
    春雷3PL3-1.jpg
    春雷3PL3-3.jpg
    春雷3PL3-4.jpg
    春雷3PL3-5.jpg
    春雷3PL3-6.jpg

QQ|手机版|家电电工资料网 ( 辽ICP备17010435号-3 )|网站地图|辽公网安备 21140202000087号

GMT+8, 2026-2-8 21:12

Powered by Discuz! X3.5

© 2001-2026 Discuz! Team.

返回顶部